Products center

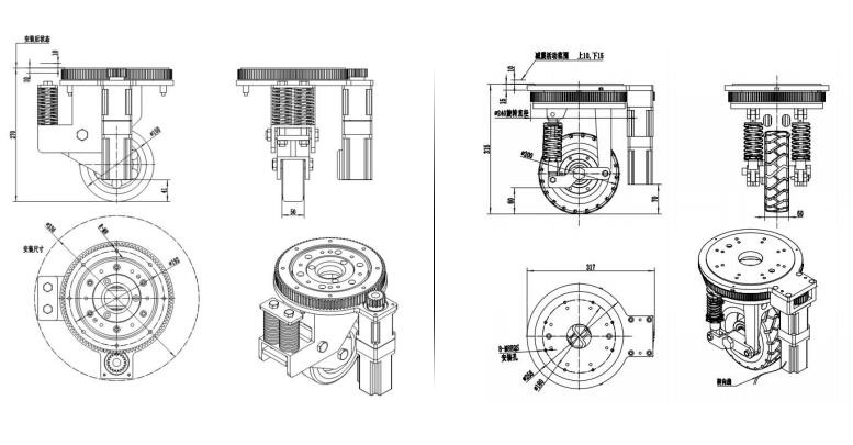
产品型号 | HK150-SM200/48 | HK210-SM200/48 | |
性能指标 | 参数 | ||
轮 胎 | 轮子材质 | 橡胶 | 橡胶 |
轮子尺寸 | Φ150X50 | Φ210X60 | |
安装方式 | 8-M8 | 8-M8 | |
转 向 部 分 | 电机类型 | 永磁同步伺服 | 永磁同步伺服 |
电机功率 kW | 200 | 200 | |
电压 V | 48 | 48 | |
额定电流 A | 5.1 | 5.1 | |
额定扭矩 Nm | 0.64 | 0.64 | |
额定转速 r/min | 3000 | 3000 | |
减速箱类型 | 二级行星减速 | 二级行星减速 | |
减速比 | 50:1 | 50:1 | |
编码器类型 | 内置增量或绝对值 | 内置增量或绝对值 | |
其 它 | 机械限位 | 无 | 有 |
电气限位 | 有 | 有 | |
承载能力 Kg | 300 | 300 | |