Products center

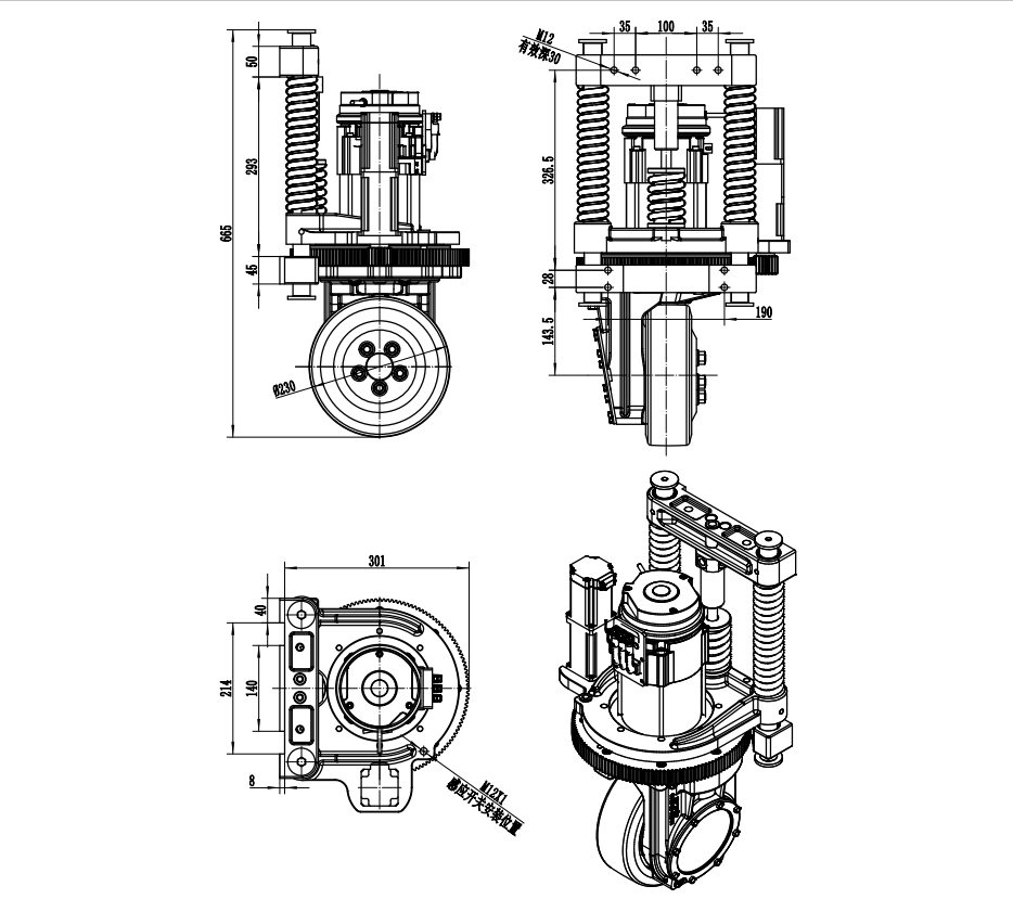
型号 | HL230-AC1600-24-22B | |
行走电机 | 电机类型 | 交流感应 |
电机功率 kW | 1.6 | |
电压 V | 48 | |
额定电流 A | 47 | |
额定扭矩 Nm | 5.66 | |
额定转速 r/min | 3250 | |
编码器类型 | 脉冲式 | |
齿轮箱 | 减速箱类型 | 二级齿轮减速 |
减速比 | 22.07:1 | |
制动 | 制动器力矩 Nm | 16 |
额定电压 V | DC24 | |
轮胎 | 轮子材质 | 聚氨酯或橡胶 |
轮子尺寸 | φ230X75 | |
转向部分 | 电机类型 | 永磁同步伺服 |
电机功率kW | 0.4 | |
电压 V | 48 | |
额定电流 A | 10.1 | |
额定扭矩 Nm | 1.27 | |
额定转速 r/min | 3000 | |
减速箱类型 | 二级行星减速 | |
减速比 | 200:1 | |
编码器类型 | 内置增量或绝对值 | |
其它 | 转向限位角度 | ±110° |
行驶速度 m/min | 0-105 | |
额定牵引力 N | 1000 | |
承载能力 Kg | 1200 | |
净重 Kg | 90 | |
※电压可选DC48V
※速比可选 14.5 16.7 22.07 27.31
※电机功率可选2.2Kw